Каталог товаров
- Главная
- Запчасти вилочных погрузчиков
- Запчасти для двигателей
- Для ДВС Xinchay
- Болт М8 х 40 для двигателя - A490BPG, GB/T5782-2000
Болт М8 х 40 для двигателя - A490BPG, GB/T5782-2000
- Обзор
- Характеристики
- Отзывы0
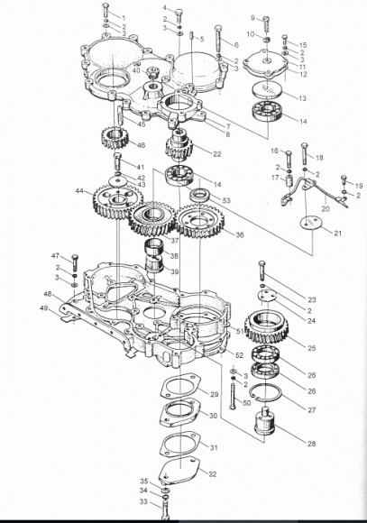
Болт М8 х 40 для двигателя - A490BPG, номер по каталогу - GB/T5782-2000, производитель - XINCHAI
| Модель двигателя | A490BPG |
| Бренд | XINCHAI |
| Позиция на фото | 16 |
| Название на английском | BOLT M8x40 |
| Количество по каталогу | 2 |
Болт М8 х 40 для двигателя - A490BPG, GB/T5782-2000 отзывы
Категории:Запчасти вилочных погрузчиковЗапчасти для двигателей












