- Главная
- Запчасти вилочных погрузчиков
Запчасти вилочных погрузчиков

Подбор по параметрам
По запросу
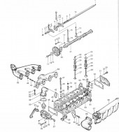
Артикул: 91H2000010
| Модель двигателя | K15, K21, K25 |
| Бренд | Mitsubishi |
Цена по запросу
По запросу
Артикул: FS20180497
Нижнее посадочное место пружины клапана для двигателя - A490BPG, 490B-03011
| Модель двигателя | A490BPG |
| Бренд | XINCHAI |
| Позиция на фото | 26 |
| Название на английском | LOWER SEAT, VALVE SPRING |
| Количество по каталогу | 8 |
Цена по запросу
По запросу
Артикул: FS20180602
Стопорное кольцо 75 для двигателя - A490BPG, GB/T893.1-1986
| Модель двигателя | A490BPG |
| Бренд | XINCHAI |
| Позиция на фото | 27 |
| Название на английском | SNAP RING 75 |
| Количество по каталогу | 1 |
Цена по запросу
В наличии
Артикул: UM131092
Подшипник шарнирный для вилочного погрузчика Doosan G20SC-5 серии NP,FGA01-1060,FGA01-1070,FGA01-1100,FGA01-1110,FGA01-1280,FGA01-1290
| Модель техники | G20SC-5 |
| Серия модели | NP, FGA01-1280, FGA01-1100, FGA01-1290, FGA01-1110, FGA01-1060, FGA01-1070 |
| Тип товара | подшипник |
| Бренд | DOOSAN |
| Каталожный номер | D131092 |
Цена по запросу
В наличии
Артикул: UM917087
Регулировочная шайба пальца нижняя для вилочного погрузчика Doosan B18X-5 серии GY,FBA05-1370
| Модель техники | B18X-5 |
| Серия модели | GY, FBA05-1370 |
| Тип товара | шайба |
| Бренд | DOOSAN |
| Каталожный номер | D917085 |
Цена по запросу
В наличии
Артикул: UM4274638
Гайка корончатая пальца рулевой тяги для вилочного погрузчика Doosan B20X-7 серии FBA12-2460,FBA12-2470,FA12-2480
| Модель техники | B20X-7 |
| Серия модели | FBA12-2460, FBA12-2470, FA12-2480 |
| Тип товара | гайка |
| Бренд | DOOSAN |
| Входит в комплект | ремкомплект для управляемого моста B20X-7 |
Цена по запросу
В наличии
Артикул: UM5735371
Шплинт пальца тяги для вилочного погрузчика Doosan D20SC-5 серии NL,NM,UT,UU,FDA01-1230,FDA01-1240
| Модель техники | D20SC-5 |
| Серия модели | NM, NL, UU, UT, FDA01-1230, FDA01-1240 |
| Тип товара | шплинт |
| Бренд | DOOSAN |
| Входит в комплект | ремкомплект для управляемого моста D20SC-5 |
Цена по запросу
В наличии
Артикул: UM909174
Пресс-масленка тяги для вилочного погрузчика Doosan D20SC-2 серии DU,DV,FL,FM,JD,JE
| Модель техники | D20SC-2 |
| Серия модели | DV, DU, FM, FL, JE, JD |
| Тип товара | пресс-масленка |
| Бренд | DOOSAN |
| Каталожный номер | D909174 |
Цена по запросу
В наличии
Ремкомплект управляемого моста для вилочных погрузчиков производства Doosan. Предназначен для моделей D20/33S-2, D25/33/35/S/C-5/7, G25/30E-3/5, B22-32X, B20S-35S.
| Тип товара | ремкомлект управляемого моста |
| Бренд | DOOSAN |
Цена по запросу
В наличии
Артикул: UM700584
Уплотнение пальца рулевой тяги для вилочного погрузчика Doosan B35S-7 серии FBA34-1910
| Модель техники | B35S-7 |
| Серия модели | FBA34-1910 |
| Тип товара | Уплотнение пальца рулевой тяги |
| Бренд | DOOSAN |
| Каталожный номер | D700584 |
Цена по запросу
В наличии
Ремкомплект управляемого моста для вилочных погрузчиков Mitsubishi FD10N, FD15N, FD15NT, FD18N, FD18NT, FD20CN, FD20CNT, FG10N, FG15N, FG15NT, FG18N, FG18NT, FG20CN, FG20CNT
| Тип товара | ремкомлект управляемого моста |
| Бренд | Mitsubishi |
Цена по запросу
В наличии
Артикул: UM914315924
Кольцо стопорное подшипника тяги для вилочного погрузчика Mitsubishi FD20CNT серий CF16D-24001-29999,CF16E-61001-99999,CF16E-61001-99999
| Модель техники | FD20CNT |
| Серия модели | CF16D-24001-29999, CF16E-61001-99999 |
| Тип товара | стопорное кольцо |
| Бренд | Mitsubishi |
Цена по запросу
В наличии
Ремкомплект управляемого моста для вилочных погрузчиков производства Mitsubishi. Предназначен для моделейFD10N, FD15N, FD18N, FD20CN, FG10N, FG15N, FG18N, FG20CN.
| Тип товара | ремкомлект управляемого моста |
| Бренд | Mitsubishi |
Цена по запросу
В наличии
Артикул: UM914305625
Кольцо стопорное для вилочного погрузчика Mitsubishi модельFG10N серии F25C-00011-04999.
| Модель техники | FG10N |
| Серия модели | F25C-00011-04999} |
| Тип товара | стопроное кольцо |
| Бренд | Mitsubishi |
| Каталожный номер | 91B4305625 |
Цена по запросу
В наличии
Артикул: UM48511101
Тяга рулевая для вилочного погрузчика Nissan L01
| Модель техники | L01 |
| Тип товара | рулевая тяга |
| Бренд | Nissan |
| Входит в комплект | ремкомплект для управляемого моста L01 |
Цена по запросу
В наличии
Артикул: RM48511101
Ремкомплект управляемого моста для вилочных погрузчиков Nissan. Подходит для модели L01.
| Тип товара | ремкомлект управляемого моста |
| Бренд | Nissan |
Цена по запросу
В наличии
Артикул: RMA480
Ремкомплект тормозной системы (левый) для вилочных погрузчиков Doosan. Подходит для для моделей D/G/10S - 20S/SC5
| Тип товара | ремкомплект тормозной системы |
| Бренд | DOOSAN |
Цена по запросу
В наличии
Артикул: TSA4811
Пластина ручного тормоза для вилочного погрузчика Doosan G15S серии 75,A6,C2,C3
| Модель техники | G15S |
| Серия модели | 75, A6, C3, C2 |
| Тип товара | Пластина ручного тормоза |
| Бренд | DOOSAN |
| Входит в комплект | ремкомплект для тормозной системы G15S |
Цена по запросу
В наличии
Артикул: TS0265
Пружина пластины ручного тормоза для вилочного погрузчика Doosan D15S серии 76,C4
| Модель техники | D15S |
| Серия модели | 76, C4 |
| Тип товара | пружина |
| Бренд | DOOSAN |
| Входит в комплект | ремкомплект для тормозной системы D15S |
Цена по запросу
В наличии
Артикул: TS80273
Держатель тросика для вилочного погрузчика Doosan D18S-5 серии NL,NM,UT,UU,FDA01-1230,FDA01-1240
| Модель техники | D18S-5 |
| Серия модели | NM, NL, UU, UT, FDA01-1230, FDA01-1240 |
| Тип товара | держатель тросика |
| Бренд | DOOSAN |
| Входит в комплект | ремкомплект для тормозной системы D18S-5 |
Цена по запросу
В наличии
Артикул: TS80294
Крышка фиксатора колодок для вилочного погрузчика Doosan G15S-2 серии DF,DH,J7,J8
| Модель техники | G15S-2 |
| Серия модели | DF, DH, J7, J8 |
| Тип товара | крышка фиксатора |
| Бренд | DOOSAN |
| Входит в комплект | ремкомплект для тормозной системы G15S-2 |
Цена по запросу
В наличии
Артикул: TS80302
Палец (фиксатор колодок) для вилочного погрузчика Doosan D15S серии 76,C4
| Модель техники | D15S |
| Серия модели | 76, C4 |
| Тип товара | фиксатор колодок |
| Бренд | DOOSAN |
| Каталожный номер | A480262/D480262 |
Цена по запросу
В наличии
Артикул: TS80322
Пружина фиксатора колодок для вилочного погрузчика Doosan D18S серии 76,C4
| Модель техники | D18S |
| Серия модели | 76, C4 |
| Тип товара | пружина фиксатора колодок |
| Бренд | DOOSAN |
| Входит в комплект | ремкомплект для тормозной системы D18S |
Цена по запросу
По запросу
Артикул: FS20180494
Верхнее посадочное место пружины клапана для двигателя - A490BPG, 490B-03007
| Модель двигателя | A490BPG |
| Бренд | XINCHAI |
| Позиция на фото | 23 |
| Название на английском | VALVE SPRING SEAT, UPPER |
| Количество по каталогу | 8 |
Цена по запросу
По запросу
Артикул: FS20180601
Подшипник 6009 для двигателя - A490BPG, GB/T276-1994
| Модель двигателя | A490BPG |
| Бренд | XINCHAI |
| Позиция на фото | 26 |
| Название на английском | BEARING 6009 |
| Количество по каталогу | 2 |
Цена по запросу
По запросу
Артикул: FS20180715
Болт М10 х 80 для двигателя - A490BPG, GB/T5782-2000
| Модель двигателя | A490BPG |
| Бренд | XINCHAI |
| Позиция на фото | 7 |
| Название на английском | BOLT M10x80 |
| Количество по каталогу | 1 |
Цена по запросу
В наличии
Артикул: UM131092
Подшипник шарнирный для вилочного погрузчика Doosan B16X-5 серии GX,FBA04-1370
| Модель техники | B16X-5 |
| Серия модели | GX, FBA04-1370 |
| Тип товара | подшипник |
| Бренд | DOOSAN |
| Каталожный номер | D131092 |
Цена по запросу
В наличии
Артикул: UM917089
Регулировочная шайба пальца нижняя для вилочного погрузчика Doosan B20X-5 серии GZ,FBA06-1370
| Модель техники | B20X-5 |
| Серия модели | GZ, FBA06-1370 |
| Тип товара | шайба |
| Бренд | DOOSAN |
| Каталожный номер | D917085 |
Цена по запросу
В наличии
Артикул: UM4274641
Гайка корончатая пальца рулевой тяги для вилочного погрузчика Doosan D15S-2 серии DU,DV,FL,FM,JD,JE
| Модель техники | D15S-2 |
| Серия модели | DV, DU, FM, FL, JE, JD |
| Тип товара | гайка |
| Бренд | DOOSAN |
| Входит в комплект | ремкомплект для управляемого моста D15S-2 |
Цена по запросу
В наличии
Артикул: UM5735371
Шплинт пальца тяги для вилочного погрузчика Doosan G15S серии 75,A6,C2,C3
| Модель техники | G15S |
| Серия модели | 75, A6, C3, C2 |
| Тип товара | шплинт |
| Бренд | DOOSAN |
| Входит в комплект | ремкомплект для управляемого моста G15S |
Цена по запросу






























