Каталог товаров
- Главная
- Запчасти вилочных погрузчиков
- Запчасти для двигателей
- Для ДВС Xinchay
- Шайба 10 для двигателя - A490BPG, GB/T859-1987
Шайба 10 для двигателя - A490BPG, GB/T859-1987
- Обзор
- Характеристики
- Отзывы0
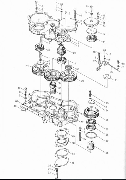
Шайба 10 для двигателя - A490BPG, номер по каталогу - GB/T859-1987, производитель - XINCHAI
| Модель двигателя | A490BPG |
| Бренд | XINCHAI |
| Позиция на фото | 34 |
| Название на английском | WASHER 10 |
| Количество по каталогу | 8 |
| Каталожный номер | GB/T93-1987 |
Шайба 10 для двигателя - A490BPG, GB/T859-1987 отзывы
Категории:Запчасти вилочных погрузчиковЗапчасти для двигателей












