Каталог товаров
- Главная
- Запчасти вилочных погрузчиков
- Запчасти для двигателей
- Для ДВС Xinchay
- Вал ведомой шестерни для двигателя - A490BPG, 490B-02004
Вал ведомой шестерни для двигателя - A490BPG, 490B-02004
- Обзор
- Характеристики
- Отзывы0
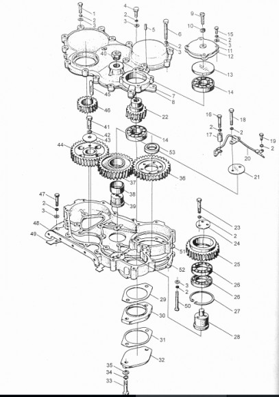
Вал ведомой шестерни для двигателя - A490BPG, номер по каталогу - 490B-02004, производитель - XINCHAI
| Модель двигателя | A490BPG |
| Бренд | XINCHAI |
| Позиция на фото | 39 |
| Название на английском | IDLE GEAR SHAFT |
| Количество по каталогу | 1 |
Вал ведомой шестерни для двигателя - A490BPG, 490B-02004 отзывы
Категории:Запчасти вилочных погрузчиковЗапчасти для двигателей












