Каталог товаров
- Главная
- Запчасти вилочных погрузчиков
- Запчасти для двигателей
- Для ДВС Xinchay
- Ведущая насосная шестерня для двигателя - A490BPG, 490BPG-02003
Ведущая насосная шестерня для двигателя - A490BPG, 490BPG-02003
- Обзор
- Характеристики
- Отзывы0
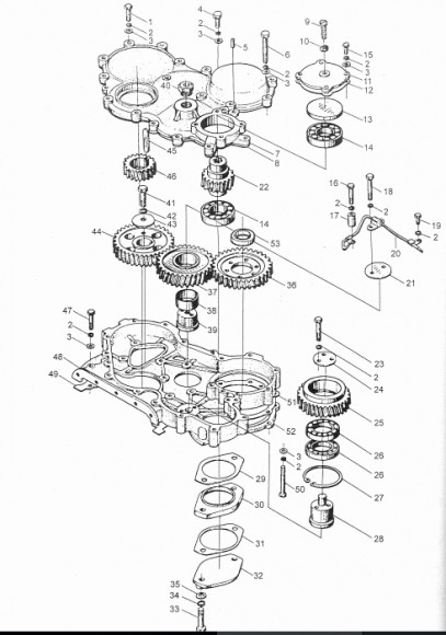
Ведущая насосная шестерня для двигателя - A490BPG, номер по каталогу - 490BPG-02003, производитель - XINCHAI
| Модель двигателя | A490BPG |
| Бренд | XINCHAI |
| Позиция на фото | 36 |
| Название на английском | PUMP TIMING GEAR |
| Количество по каталогу | 1 |
Ведущая насосная шестерня для двигателя - A490BPG, 490BPG-02003 отзывы
Категории:Запчасти вилочных погрузчиковЗапчасти для двигателей












